• SNS带孔盖的滚珠滑轨

SNS带孔盖的滚珠滑轨

BSCL滚珠导轨导向系统-SNS-钢制滚珠滑轨-R2055

bscl-r2055.png


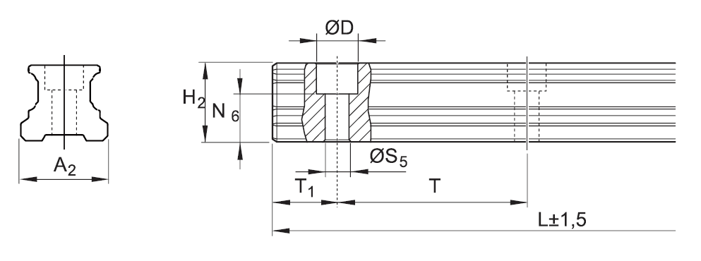
滚珠滑块及规格

规格

尺寸(mm)

A2

D

H2

Lmax

N6±0.5

S5

T

T1 min

R2055-1

15

15.0

7.4

14.1

3836

8.6

4.5

60.0

10.0

R2055-8

20

20.0

9.4

17.0

3836

10.0

6

60.0

10.0

R2055-2

25

23.0

11.0

20.0

3836

11.3

7

60.0

10.0

R2055-7

30

28.0

15.0

23.0

3836

12.0

9

80.0

12.0

R2055-3

35

34.0

15.0

26.5

3836

15.5

9

80.0

12.0

R2055-4

45

45.0

20.0

33.0

3776

17.0

14

105.0

16.0

  • 滑轨原材料可达 4000mm 长
  • 全方位润滑孔
  • 配件种类:
    1.前制润滑油单元
    2.前置密封件
    3.钢制刮刷板
    4.润滑转接件
  • 防尘塑料孔塞由上方安装
  • 互换的精度等级 N、H、P
  • 3种预压的类别 C0、C1、C2
  • 国际标准尺寸 ISO12090 - 1
  • 可订制滑轨