
|
型号 |
规格 |
尺寸(mm) |
|||||||||||||
|
d0 |
P |
d1 |
d2 |
D1 |
D5 |
類型 |
D6 |
D7 |
L |
L3 |
L4 |
L9 |
L10 |
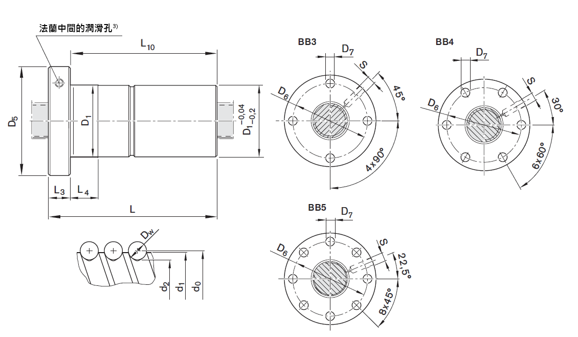
S3) |
|
|
R1502 010 55 |
16 |
5R |
15 |
12.9 |
28 |
48 |
BB2 |
38 |
5.5 |
72 |
12 |
10 |
44 |
60 |
M6 |
|
R1502 110 75 |
20 |
5R |
19 |
16.9 |
36 |
58 |
BB2 |
47 |
6.6 |
82 |
12 |
10 |
51 |
70 |
M6 |
|
R1502 210 75 |
25 |
5R |
24 |
21.9 |
40 |
62 |
BB2 |
51 |
6.6 |
82 |
12 |
10 |
55 |
70 |
M6 |
|
R1502 240 75 |
25 |
10R |
24 |
21.9 |
40 |
62 |
BB2 |
51 |
6.6 |
120 |
12 |
16 |
55 |
108 |
M6 |
|
R1502 310 75 |
32 |
5R |
31 |
28.4 |
50 |
80 |
BB2 |
65 |
9 |
88 |
13 |
10 |
71 |
75 |
M6 |
|
R1502 340 76 |
32 |
10R |
31 |
27.9 |
50 |
80 |
BB2 |
65 |
9 |
146 |
13 |
16 |
71 |
133 |
M6 |
|
R1502 410 76 |
40 |
5R |
39 |
36.4 |
63 |
93 |
BB1 |
78 |
9 |
100 |
15 |
10 |
81.5 |
85 |
M8x1 |
|
R1502 440 75 |
40 |
10R |
38 |
33.8 |
63 |
93 |
BB1 |
78 |
9 |
140 |
15 |
16 |
81.5 |
125 |
M8x1 |
|
R1502 440 76 |
40 |
10R |
38 |
33.8 |
63 |
93 |
BB1 |
78 |
9 |
180 |
15 |
16 |
81.5 |
165 |
M8x1 |
|
R1502 470 75 |
40 |
20R |
38 |
33.8 |
63 |
93 |
BB1 |
78 |
9 |
175 |
15 |
25 |
81.5 |
160 |
M8x1 |
|
R1502 510 76 |
50 |
5R |
49 |
46.4 |
75 |
110 |
BB1 |
93 |
11 |
100 |
15 |
10 |
97.5 |
85 |
M8x1 |
|
R1502 540 75 |
50 |
10R |
48 |
43.8 |
75 |
110 |
BB1 |
93 |
11 |
140 |
18 |
16 |
97.5 |
122 |
M8x1 |
|
R1502 540 76 |
50 |
10R |
48 |
43.8 |
75 |
110 |
BB1 |
93 |
11 |
180 |
18 |
16 |
97.5 |
162 |
M8x1 |
|
R1502 570 76 |
50 |
20R |
48 |
43.4 |
75 |
110 |
BB1 |
93 |
11 |
255 |
18 |
25 |
97.5 |
237 |
M8x1 |
|
R1502 640 75 |
63 |
10R |
61 |
56.8 |
90 |
125 |
BB1 |
108 |
11 |
140 |
22 |
16 |
110 |
118 |
M8x1 |
|
R1502 640 76 |
63 |
10R |
61 |
56.8 |
90 |
125 |
BB1 |
108 |
11 |
180 |
22 |
16 |
110 |
158 |
M8x1 |
|
R1502 670 76 |
63 |
20R |
61 |
56.4 |
95 |
135 |
BB1 |
115 |
13.5 |
255 |
22 |
25 |
117.5 |
233 |
M8x1 |
|
R1502 740 76 |
80 |
10R |
78 |
73.3 |
105 |
145 |
BB1 |
125 |
13.5 |
190 |
22 |
16 |
127.5 |
168 |
M8x1 |
|
R1502 770 46 |
80 |
20R |
76 |
67.0 |
125 |
165 |
BB1 |
145 |
13.5 |
340 |
25 |
25 |
147.5 |
315 |
M8x1 |
*螺母 80 x 20R配用滚珠螺杆最大长度可达2500mm,带预紧。
*润滑口的款式:
L3 ≤ 13mm时,平面;
L3>14mm时,沉孔。