• 螺帽座 MGD

螺帽座 MGD



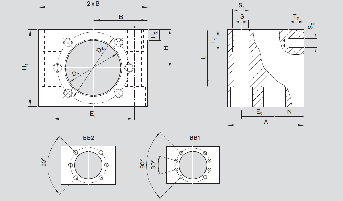
德国博世力士乐螺帽座MGD

适用的滚珠螺母→FEM-E-CFDM-E-CSEM-E-C


法兰式单螺母 FEM-E-C
法兰式双螺母 FDM-E-C
可调式无间隙单螺母 SEM-E-C


德国博世力士乐螺帽(母)座除了用螺栓固定外,还需要采用附加的固定方式(例如采用两个定位销,其直径与螺栓直径S.相同)。

建议使用强度等级为8.8级的螺栓


※如果使用带前置润滑单元的滚珠螺杆,前置润滑单元有可能从螺帽座中凸出来。因此,计算行程时,需加以考虑。

3滾珠螺桿-螺母座MGD規格.png


1滾珠螺桿-螺母座MGD規格.png


2滾珠螺桿-螺母座MGD規格.png