• 螺帽座 MGS

螺帽座 MGS



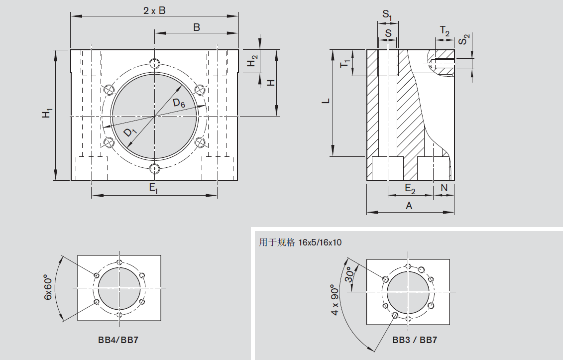
德国博世力士乐螺帽座MGS

适用的滚珠螺母→FEM-E-SFDM-E-SFEP-E-S SEM-E-S

法兰式单螺母 FEM-E-S
法兰式双螺母 FDM-E-S
带转向盖的法兰式单螺母 FEP-E-S
可调式无间隙单螺母 SEM-E-S

德国博世力士乐螺帽(母)座除了用螺栓固定外,还需要采用附加的固定方式(例如采用两个定位销,其直径与螺栓直径S.相同)。

建议使用强度等级为8.8级的螺栓


※如果使用带前置润滑单元的滚珠螺杆,前置润滑单元有可能从螺帽座中凸出来。因此计算行程时,需加以考虑。

1螺母座MGS規格.png

2螺母座MGS規格.png

3螺母座MGS規格.png